千亿 >浙江高考 >浙江高考复习 >浙江高中地理 >

嘉兴八校2024-2025学年高一期中地理试题及答案

时间: 浙江 高中地理

浙江省嘉兴八校2024-2025学年高一期中地理考试已于近日开考,为方便考生考后及时查看考试情况,查漏补缺、弥补不足,本文整理了试题答案解析相关信息!

汇总:浙江省嘉兴八校2024-2025学年高一期中试题及答案汇总

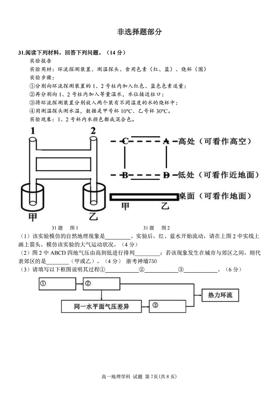
地理试题及答案解析